출처: http://sadboxabc.blogspot.com/2018/10/cad_15.html
개요
- 기계 설계를 하는 과정은 크게 세 가지로 나눌 수 있습니다.
- 설계(Design): 아이디어를 스케치
- 도면 작성(Drafting): 형상 구현, 크기, 사이즈, 제작을 위한 정보
- 생산(Manufacturing): 도면을 바탕으로 실물 제작
- 설계단계에서는 아이디어를 스케치하고 도면 작성 단계에서는 실제 생산(제작,제조)을 하기 위한 상세 도면을 작성하는 과정입니다. 이때 외형, 크기가 결정되는데 이를 치수화 하고 재질, 심볼, 주석등 제작에 필요한 정보를 기입하는 것을 목표로 합니다.
제도와 치수 기입에 사용되는 단위
- 제도에서는 크게 Metric과 Inch 단위를 사용합니다. Metric단위는 ISO, JIS, KS 표준으로 써 대한민국에서는 보편적으로 토목(m)을 제외하고 mm를 가장 많이 사용합니다.
- 또한 치수 기입을 진행하는 과정에 텍스트 후단부에 단위 (mm, Inch, °) 가 표기되지 않기 때문에 CAD명령어 “units” 을 통해 단위를 확인해 볼 필요성이 있습니다.
치수의 구조
치수는 구조는 치수선과, 보조선으로 이루어져 있습니다. 지시선은 치수선과 별도로 특정 부위에 주석(기호와 설명)을 기입할 때 사용합니다.
- Figure 1 좌측부터, 보조선, 치수선, 지시선(인출선)
- 지시선은 가공을 위한 Hole 크기나 가공방법을 기재할 때 사용합니다.
| <Figure 1. 보조선, 치수선, 지시선> |
치수의 구조 틀린 그림 찾기-1
- 아래의 그림 <Figure 2.> A와 B의 틀린 그림을 찾아보세요.
- 차이점을 확인하고 틀린 부분은 어느 곳인지 확인해 봅시다.
| <Figure 2. 치수의 구조 틀린 그림 찾기> |
- 치수의 구조가 올바르게 표기된 것은 “A” 입니다.
- 치수 보조선은 항상 치수선 화살표를 기준으로 A와 같이 위 방향으로 길게 나와야 합니다. (설정, Properties에서 최소 1mm)
- 치수선은 제품의 형상을 지나더라도 끊기지 않고 지속 선을 유지해야 합니다.
치수선 간격
- 아래 그림을 통해 치수선의 올바른 간격을 확인해 보세요.
| <Figure 4. 치수선 간격 텍스트 크기와 연관성> |
- 제도 된 형상에 치수를 기입할 때 기본적으로 형상(Shape)과 치수선의 간격은 텍스트 글자의 최소 2배 이상, 치수선과 치수선 사이의 간격의 텍스트 글자의 최소 1배 이상을 적용해야 함을 기억해야 합니다.
- 아래 그림을 통해서 확인할 수 있습니다.
| <Figure 5. 치수 간격> |
- 원형 표시 : 형상과 치수선 사이의 간격 치수선 텍스트 크기에 최소 2배 이상 간격 띄울 것 텍스트 글자가 3 이므로 최소 6 이상 적용.
- 별표 표시 : 치수선과 치수선 사이의 간격 텍스트 크기의 최소 1배 이상 간격 띄울 것 텍스트 글자가 3이므로 최소 3 이상 적용.
치수 간격에 대한 내용은 회사별로 개인별로 기입 하는 기준에 차이는 있으나 치수선의 텍스트 글자 크기를 기준으로 최소 간격을 기억하고 있어야 합니다.
치수 기입의 실수 찾아보기
- 아래 그림에서 치수기입이 잘못된 곳을 찾아 보세요.
| <Figure 6. 치수기입이 잘못된 예> |
- 정답은 다음과 같습니다.
| <Figure 7. 치수기입이 잘못된 구간> |
- A: 보조선과 치수선 사이에 충분한 공간이 있을 때 화살표는 안쪽에 위치해야 합니다.
- B: 치수선 안에 텍스트는 치수선 중앙에 위치해야 합니다.
- C: 치수선 안에 텍스트 공간이 충분치 않을 때에는 바깥쪽으로 이동해야 합니다.
| <Figure 8. 치수기입이 올바르게 기입된 예> |
- Figure 8.과 같이 치수기입이 올바르게 기입된 것을 확인할 수 있습니다.
치수기입 틀린그림 찾기
치수 기입 공간이 부족한 경우
- 아래 그림(Figure 9. 촘촘한 치수) 치수 기입 공간이 부족한 경우 대한 예시입니다. 화살표가 치수선 안쪽에 빼곡히 차 있는 것을 알 수 있습니다.
- 대안 1. Pitch 를 사용한 치수선 기입
| <Figure 10. Pitch 를 사용한 치수기입> |
- 대안 2. 안쪽의 화살표를 삭제
| <Figure 11. 화살표 삭제> |
- 대안 3. 치수선 안쪽의 화살표 점(Dot)으로 표기
각도 기입
| <Figure 13. 각도 기입> |
- 각도 기입 방법 첫 번째는 그림 13과 같이 각도를 중심으로 치수는 치수선 위쪽에 위치해야 함을 기억해야 합니다.
- 각도 기입하는 방법 두 번째는 다음과 같습니다.
| <Figure 14. 각도 기입 두 번째 방법> |
- 두 번째 방법은 문자 위치는 중심, 문자 위치는 수평 정렬을 사용하여 기입하는 방법입니다.
각도 기입 치수문자의 공간이 부족한 경우
| <Figure 15. 각도 기입> |
- 각도 기입시 텍스트 문자열의 공간이 부족한 경우 Leader 선을 추가하여 그림 15와 같이 표기할 수 있습니다.
지시선(Leader)의 위치
| <Figure 16. 지시선의 위치> |
- 지시선의 간격은 형상(외형선)을 기준으로 치수선 글자의 최소 10 배수 이상을 띄어야 합니다. 예를 들어 치수선의 글자가 3일 경우 지시선과 형상의 최소 간격은 30mm 입니다.
- 지시선 기입 시 다른 치수선과 겹치지 않게 배치하며 공간이 부족할 경우를 제외하고 최소 간격에 위치해야 한다는 것을 기억해야 합니다.
치수기입 연습
| <치수기입 연습 1.> |
| <치수기입 연습 2.> |
| <치수기입 연습 3.> |
치수기입시 공통적으로 지켜야 할 사항
- 치수선은 가는실선으로 표기
- 제품의 외형을 기준으로 10~15mm 이상 떨어뜨려 선을 작성
- 다른 치수선이나 외형선과 교차하지 않도록 작성
- 원은 지름치수로 표기하고 Ø을 치수 앞에 표기
- 반지름은 R을 치수앞에 표기
- 인출선의 각도는 45,60도를 적용
- 중복치수의 기입을 피한다
- 정면도에 가능한 많은 치수를 기재함 (Hole 위치 치수 등)
연관치수
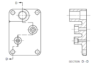
아래 그림에서 연관 치수에 대한 내용을 살펴 볼 수 있습니다. 평면상에 놓여진 형상에 여러개의 홀이 위치하고 있으며 중앙에 기준핀(셋팅핀) 구멍이 있습니다. 이러한 경우 홀과 홀 간격의 치수를 기재할 대 서로 연관성이 있는 치수들 끼리 모아서 치수를 기재합니다. 에를 들어 그림안의 형상 좌측편에는 32-39-39-10 순으로 중앙에 위치한 연관 홀에 대한 치수를 기재하였으며 우측에는 그외 4개의 연관 홀에 대한 치수를 기재하였습니다. 또한 동일선상에 있는 홀의 중심선을 연결하여 같은 선상에 있다는 것을 표기하는 것도 도면 치수 기업방법중에 하나 입니다.

기준핀과 주요 홀간 거리 공차 기입
- 기준 핀, Setting 핀의 공차는 +,- 0.02 를 기입합니다.
- 주요하다고 판단되는 홀간 거리 공차는 +,- 0.05를 기입합니다.
| <형상 치수> |
| <위치 치수> |
| <위치+형상 치수> |
단면도를 표기할때 일반적으로 “단면도(Section view)”라 총칭하지만 사실 단면도에는 3가지 종류가 있습니다.
- 투영뷰 : 화살표 방향으로 투영된 형상을 표기하는 방법
- 반단면도 : 투영의 절반만 표기되도록 표기한 것을 반단면도라 합니다. 다시말해 투영뷰가 특정 부위의 단면을 100%를 표기하였다면 반단면도는 50%를 표기한 것을 말 합니다.
- Offset 단면도 : Offset 단면도는 아래 그림에서와 같이 특정부위의 단면을 연속적으로 투영한 것을 말 합니다. 단면뷰로만 표현하기 힘든 구간이나 특정 구간의 단면을 도면상에 표기해야 할 때 사용합니다.
해치의 종류
홀 치수의 표기
직경의 표기 표기
홀간 각도의 표기
반지름 표기
각도 표기
드릴 홀 표기
깊이 표기
마무으리
텍스트의 크기나 치수선의 색상 간격, 각도 치수기입법 등은 회사별로 차이가 있습니다. Inch 단위와 mm 에 대한 차이와 JIS, ISO규격의 차이에 따라 도면 치수표기법은 차이가 발생합니다. 다만 몇 가지 주의 할 점은 치수선과 치수선의 간격, 지시선의 위치, 각도의 표기방법은 어느회사나 기본적으로 꼭 알아야 할 기준임을 기억해야 합니다.















